关闭
给我们留言
在线客服
网站首页
关于我们
产品中心
新闻动态
营销网络
在线留言
联系我们
ENGLISH
产品中心
自锁开关系列
轻触开关系列
2.5/3.5插口系列
USB插座系列
船形开关系列
RJ45系列
微动开关系列
拨动开关系列
AV同芯插座系列
SC斯卡特插座系列
摇臂开关系列
电话:0577-62371531
传真:0577-62371832
手机:13777721802
E-mail:
py@cnpyele.com
http://www.cnpyele.com
产品展示
当前位置:
首页
>>
产品展示
>> 拨动开关系列
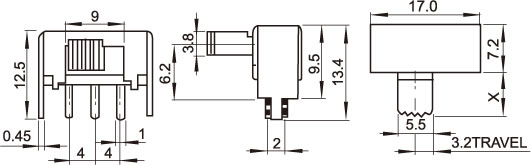
SK-22F09(2P2T)